Zum Hauptinhalt springen Zur Suche springen Zur Hauptnavigation springen

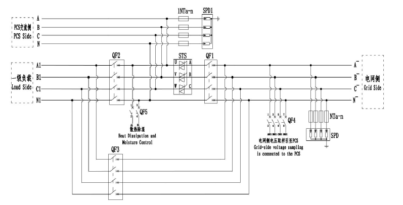
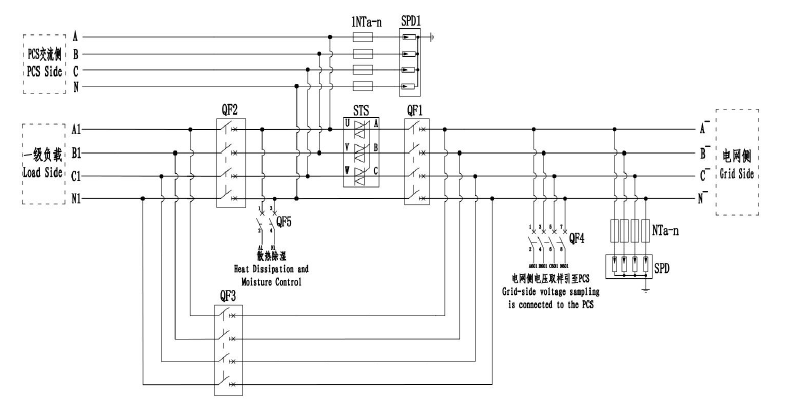
Inpower INPSTSZ-500 – Hochleistungs-STS-Schrank (500 kW)

Maximale Ausfallsicherheit für kritische Infrastrukturen durch ultraschnellen Lasttransfer

Der INPSTSZ-500 ist ein statischer Transferschalter (STS) der Spitzenklasse, entwickelt für die unterbrechungsfreie Stromversorgung sensibler Lasten in industriellen und kommerziellen Umgebungen. In einer Zeit, in der bereits Millisekunden über den Schutz wertvoller Daten oder den Fortlauf komplexer Produktionsprozesse entscheiden, bietet dieses System eine zuverlässige Brücke zwischen dem öffentlichen Stromnetz und Backup-Quellen wie Batteriespeichern (BESS).

Produktvorteile auf einen Blick:

✔ schnelle Reaktion: Mit einer Umschaltzeit von ≤ 20 ms garantiert der INPSTSZ-500 einen nahtlosen Übergang zwischen Stromquellen, sodass angeschlossene Geräte keinen Spannungsabfall bemerken. 

✔ Höchste Effizienz: Dank moderner Thyristor-Technologie erreicht das System einen Wirkungsgrad von über 99,5 %, wodurch Energieverluste und Betriebskosten minimiert werden. 

✔ Integrierter Wartungs-Bypass: Der Schrank verfügt über einen Bypass-Pfad, der eine Wartung oder Reparatur ermöglicht, ohne die Stromversorgung der Last unterbrechen zu müssen 

✔ Robust & Langlebig: Das unabhängige modulare Design erleichtert nicht nur die Installation, sondern erhöht auch die Fehlertoleranz des Gesamtsystems.




Abmessung: 1000x1300x2000mm
Gewicht: 700 kg

ZEUS 3.0+ Full Black & White bis 490Wp

Bifaziales Back-Contact Glas-Glas-Modul

Maximale Effizienz durch modernste Back-Contact-Technologie mit bis zu 490Wp für höchste Energieerträge. Erhältlich in Full Black für eine homogene Optik oder als White-Variante für flexible architektonische Anforderungen.

Die Premiumlösung für leistungsstarke und ästhetische Photovoltaik.

Energiekonzepte seit über 20 Jahren

Wir, die Heckert Solar GmbH, gestalten seit 2001 die Entwicklung der Photovoltaik mit und reiften in der Branche zum Traditionsunternehmen mit langjährigem Produkt Know-How.

Von der ersten Idee bis zur Umsetzung

Mit unserem umfassenden Produktportfolio aus Solarmodulen, Speichersystemen, Wechselrichtern und Montagesystemen bieten wir alles, was Sie für Ihre Solaranlage benötigen. Unsere erfahrenen Anwendungstechniker sorgen für eine optimale Planung und Auslegung, damit Ihre Projekte effizient und nachhaltig umgesetzt werden können. Vertrauen Sie auf über 20 Jahre Erfahrung und zukunftsorientierte Technologien.

  • Persönlicher Service

    und individuelle Beratung
  • Hohe Qualitätsstandards

    für maximale Zuverlässigkeit
  • Über 20 Jahre Erfahrung

    in der Photovoltaik
Referenzprojekte
https://www.heckertsolar.com/